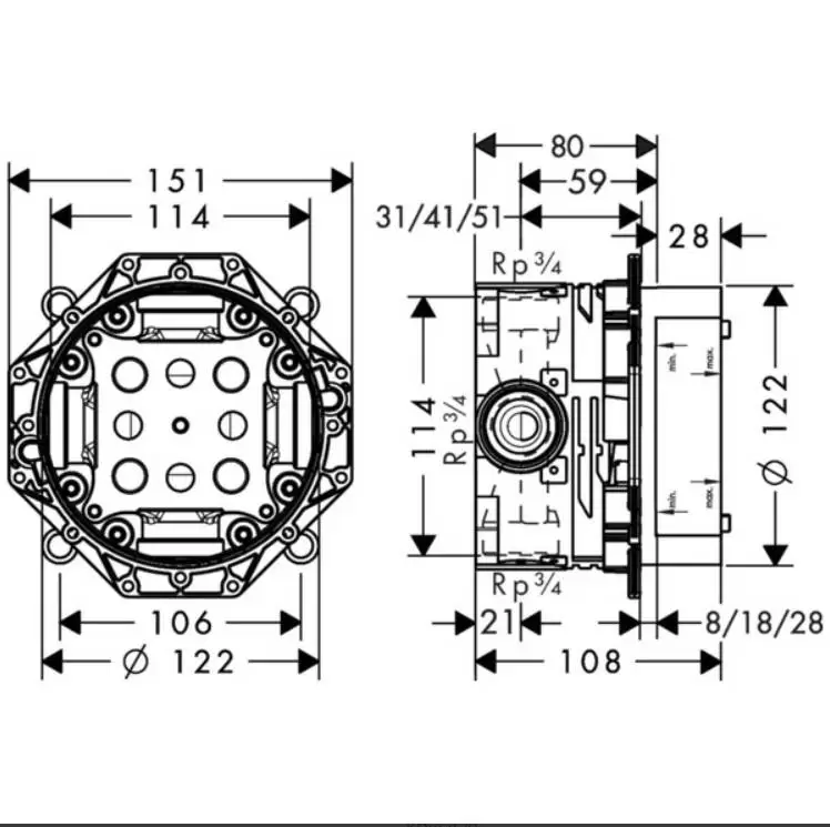
Axor iBox universal скрытая часть

Бренд
Axor
Управление
Однорычажный
28 956